Универсальный зажим для балки – Модель 1504
Универсальный зажим для балки H-Lift разработан для различных применений в подъеме и тяге. Он может использоваться под разными углами на балке, а также служить в качестве полупостоянной точки крепления. Этот зажим устраняет необходимость использования траверсы в определенных операциях подъема, обеспечивая большую гибкость и эффективность.
Характеристики:
- Многофункциональный: Подходит для подъема, тяги и может использоваться в качестве полупостоянной точки крепления.
- Поддерживает угловую нагрузку: Позволяет применение нагрузки под углом, обеспечивая гибкость в подъемных операциях.
- Без необходимости в балансире: Устраняет необходимость использования балансирного рычага при выполнении некоторых подъёмных работ.
- Надежное крепление: Оснащён регулируемым запирающим механизмом для обеспечения надёжного соединения с балкой.
- Компактный дизайн: С интегрированной точкой с запятой, подходящей для применения в ограниченных пространствах.
- Легко в эксплуатации: Легкий дизайн для простой фиксации и освобождения.
- Соответствие: В соответствии с Директивой по машинам 2006/42/EC.
Предупреждение: Не превышайте допустимую нагрузку. Избегайте использования этого зажима для подъема стальных листов.
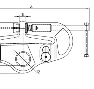
Технические характеристики продукта:

| Код продукта | Грузоподъемность (тонны) | Нагрузка испытания (кН) | Регулируемый диапазон (мм) | A (мм) | B (мм) | C (мм) | D (мм) | E (мм) | F (мм) | G (мм) | Масса нетто (кг) | |
|---|---|---|---|---|---|---|---|---|---|---|---|---|
| BCU020S | 2 | 39.2 | 76-204 | 450 | 203 | 22.5 | Ø58 | 32.5 | 118 | 16 | 8.3 | 150402000 |
| BCPU032S | 3.2 | 62.7 | 125-204 | 550 | 237 | 30 | Ø60 | 32 | 133 | 20 | 14.5 | 150403200 |
| BCPU050S | 5 | 98 | 125-305 | 615 | 270 | 37.5 | Ø75 | 32 | 157 | 24 | 26.4 | 150405000 |
| BCPU100S | 10 | 196 | 125-305 | 615 | 270 | 35 | Ø80 | 32 | 225 | 44 | 38 | 150410001 |
| BCPU100W | 10 | 196 | 225-405 | 700 | 298 | 38 | Ø80 | 70 | 230 | 44 | 46.3 | 150410002 |
Связанные продукты:
- Ручная цепная таль, тип CH-B
- Постоянный магнит для подъема, тип PML
- Зажим для балки с широкой скобой, тип BCL
- Тележка для перемещения грузов
Зажимы для балок: использование, выбор и руководство по безопасности
Всегда следуйте лучшим практикам:
- Храните и правильно обращайтесь с балочными скобами.
- Осмотрите все зажимы для балок и аксессуары перед использованием и перед хранением.
- Убедитесь, что опорная конструкция способна выдержать всю необходимую нагрузку и подходит для применения.
- Проверьте, что профиль и размеры скобы правильные или были отрегулированы в соответствии с шириной балки, и убедитесь, что она надежно закреплена на фланце балки.
- Убедитесь, что скоба балки может выдержать всю нагрузку.
- Убедитесь, что скоба расположена непосредственно над центром тяжести груза.
Запрещается делать следующее:
- Никогда не используйте балочные зажимы, которые не идентифицированы или не сертифицированы для подъёмных работ.
- Не заменяйте винты, скобы и т.д. без консультации с поставщиком.
- Никогда не бросайте и не роняйте скобы для балок.
- Не используйте скобы для балок на поврежденных или деформированных балках.
- Не зацепляйте крюк подъемного оборудования за соединительное кольцо или аксессуар (например, скобу).
- Не загружайте скобы балки под углом без разрешения поставщика.
Выбор подходящего зажима для балки:
Зажимы для балок выпускаются в различных вариантах по грузоподъемности и моделям. Они могут иметь регулируемый или фиксированный размер и оснащаться механизмами ножниц, винта или винтовой фиксации. Они предназначены для временного или постоянного использования. При выборе зажима для балки учитывайте следующее:
- Тип скобы: регулируемый или фиксированный, ножничного типа, винтового типа или с креплением на винт.
- Грузоподъемность скобы и диапазон размеров балок, которые она поддерживает.
- Подходит ли тип балки для применения.
- Тип подъемного оборудования, которое следует использовать.
- Является ли приложение временным или постоянным.
ВАЖНО: Зажимы для балок в основном используются для крепления к подвесным балкам в качестве точки крепления для подъемного оборудования. Некоторые конструкции могут быть подходящими для крепления непосредственно к грузу для создания точки подъема. Для таких конкретных применений необходимо проконсультироваться с поставщиком, так как эти применения не предусмотрены в настоящих инструкциях.
Хранение и обращение с балочными скобами:
- Поврежденные зажимы для балок никогда не должны возвращаться на хранение.
- Держите скобы балки сухими, чистыми и защищёнными от коррозии.
- Соберите крепежные элементы сразу после снятия, если это необходимо.
- Никогда не роняйте и не бросайте скобы для балок.
Безопасное использование балочных скобок:
Безопасное использование балочных захватов во многом зависит от используемого подъемного оборудования, но крайне важно соблюдать следующие общие меры безопасности:
- Всегда соблюдайте требования подъемного оборудования при использовании балочных захватов.
- Убедитесь, что зажимы балки правильно расположены и надежно закреплены для обеспечения безопасных подъёмных операций.
Марка: hqlifting.

Руководство по использованию балочных зажимов
- Не используйте дефектные балочные скобы, подъемное оборудование или аксессуары.
- Убедитесь, что конструкция, на которой подвешен зажим, находится в хорошем состоянии и способна выдержать полную нагрузку. В случае сомнений обратитесь к квалифицированному специалисту для проверки пригодности зажима.
- Убедитесь, что скоба подходит для применения. Она должна иметь правильный размер и контур, соответствующие балке, и быть правильно расположена, чтобы избежать локальной перегрузки.
- Убедитесь, что подъемное оборудование совместимо с захватом, и что крюк, скоба и другие подходящие аксессуары захвата могут быть легко подключены.
- Расположите зажим непосредственно над центром тяжести груза, обеспечивая стабильность груза и предотвращая его раскачивание или возникновение неуравновешенных нагрузок.
- Когда используются два зажима вместе, может потребоваться дополнительное оборудование (например, подвесная штанга). Убедитесь, что ни один отдельный зажим не превышает свою безопасную рабочую нагрузку (СРН).
Осмотр и техническое обслуживание во время эксплуатации
Зажимы для балок должны регулярно очищаться. Подвижные части должны смазываться с интервалами, рекомендованными производителем, если в инструкциях не указано иное. Если обнаружен любой из следующих дефектов: износ, повреждения, деформация, трещины, ослабленные болты, коррозия или нечитаемые маркировки, передайте зажим для балки на осмотр квалифицированному специалисту.















Отзывы
Пока нет отзывов.