Технические характеристики соединительной скобы из сплава G80
Разработанный для мостовых кранов, этот крюк выдерживает до 15 тонн, предлагая надежное и прочное решение для перемещения тяжелых грузов в промышленных условиях.
- Минимальное количество заказа (MOQ): 1 Поддон, 1 тонна или US$3000, минимум
- Материал: Легированная сталь
- Отделка поверхности: Электростатическая покраска
- Диапазон размеров: Варьируется от 6 мм до 32 мм
- Процесс производства: Кованый из легированной стали, закаленной и отпущенной
- Тест на разрыв: 100% инспекция магнитными частицами
- Коэффициент запаса прочности: 4:1
- Код HS: 732690
Описание соединительной скобы класса G80
Наши соединительные скобы из легированной стали G80 изготовлены из закалённой и отпущенной легированной стали, обеспечивая высокую прочность на разрыв и отличную пластичность. Они проходят испытания нагрузкой в 2,5 раза превышающей рабочую нагрузку, гарантируя повышенную безопасность и надёжность. Эти скобы маркированы «G80» или «8» для облегчения идентификации и полностью совместимы с цепями EN818-2 G80.
Соединительные скобы из сплава G80 широко используются в тяжелых условиях, идеально подходят для различных отраслей, включая морские перевозки и обработку материалов.
Информация об упаковке и доставке
- Обычно мы отправляем товары морским транспортом по всему миру, и товары прибывают в контейнерах в назначенный порт. Вы несете ответственность за получение товаров и оформление таможенных процедур.
- Для небольших или срочных заказов мы также предлагаем авиаперевозку.
- Мы принимаем банковский перевод (T/T) и аккредитив (L/C) в качестве способов оплаты.
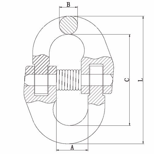
Доступные размеры и дополнительные характеристики

Соединительные скобы из сплава G80 доступны в размерах от 6 мм до 32 мм и могут быть изготовлены по индивидуальному заказу. Вот характеристики для различных размеров:
| Номер детали | Размер (мм) | Вес единицы (кг) | WLL (Рабочая нагрузка) (тонны) | B.L (Разрывная нагрузка) (тонны) | Размеры упаковки (мм) |
|---|---|---|---|---|---|
| hlt84s0010006 | 6 | 0.21 | 1.1 | 2.4 | 1560 × 564 × 187 |
| hlt84s0010008 | 8 | 0.32 | 2.0 | 3.7 | 249.5 |
| hlt84s0010010 | 10 | 0.68 | 3.1 | 6.2 | 668 × 339 × 930 |
| hlt84s0010013 | 13 | 1.47 | 5.3 | 12.6 | 889 × 935 × 368 |
| hlt84s0010016 | 16 | 2.38 | 3.2 | 5.0 | 1120 × 654 × 198 |
| hlt84s0010020 | 20 | 3.31 | 2.5 | 4.0 | 1291 × 383 × 823 |
| hlt84s0010022 | 22 | 6.89 | 5.6 | 9.1 | 1180 × 1267 × 603 |
| hlt84s0010026 | 26 | 10.62 | 8.1 | 12.0 | 2284 × 2095 × 1024 |
| hlt84s0010032 | 32 | 18.92 | 11.5 | 23.0 | 2279 × 1609 × 915 |
Применения
Соединительные скобы из сплава G80 подходят для широкого спектра тяжелых применений, включая:
- Подъем и подъем грузов
- Обработка материалов
- Морские перевозки и транспортировка
- Строительные и промышленные применения
Чтобы узнать больше о соединительных скобах из сплава G80 или заказать нестандартные размеры, свяжитесь с нами через hqlifting.













Отзывы
Пока нет отзывов.