Технические характеристики звеньев Омега из легированной стали G80
Этот крюк для цепей оснащён автоматическим замком, который срабатывает при нажатии, обеспечивая дополнительную безопасность при подъёме и креплении грузов.
- Минимальный заказ: 1 Палета, 1 Тонна или US$3000
- Материал: Легированная сталь
- Отделка поверхности: Порошковое покрытие
- Размер: 6 мм до 20 мм
- Процесс: Сверхкованный легированный сталь – Закаленная и отпущенная
- Тест на разрыв: 100% инспекция магнитными частицами
- Коэффициент запаса прочности: 4:1 для цепных лингas
- Код HS: 732690
Описание звеньев Омега из стального сплава G80
Лесной крюк Clevis из сплава G80 четко маркирован «G80» или «8» для легкой идентификации и совместим с цепью EN818-2 G80. Он протестирован с испытательной нагрузкой в 2,5 раза превышающей Рабочую нагрузку (WLL), а его разрывная нагрузка соответствует 4-кратной WLL.
- Код HS звена соединения стального ремня из сплава G80: 732690
Применение звеньев Омега из легированной стали G80
Наши омега-звенья из легированной стали G80 обычно используются в тяжелых подъемных и стяжных применениях, особенно для подъемных цепей, строп и аналогичного оборудования.
Условия доставки и оплаты
Обычно мы отправляем товары по всему миру морским транспортом, упаковывая продукцию в транспортные контейнеры и отправляя их в назначенный порт. Клиент несет ответственность за получение товара и таможенное оформление.
Для небольших и срочных заказов мы предлагаем варианты авиаперевозки. Мы принимаем платежи банковским переводом (T/T) и аккредитивом (L/C).
Если у вас есть вопросы по доставке или оплате, не стесняйтесь обращаться к нам. Мы всегда готовы помочь.
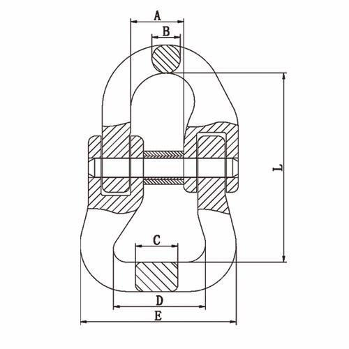
Доступные размеры и спецификации

| Номер детали | Размер (мм) | Вес за штуку (кг) | WLL (тонна) | B.L (тонна) | Размеры (мм) | A | B | D | H | L | H | T |
|---|---|---|---|---|---|---|---|---|---|---|---|---|
| hlt84s002 | 6/6 | 0.12 | 1.1 | 4.4 | 84 | 120 | 55 | 52 | – | – | – | – |
| hlt84s002 | 8/8 | 0.22 | 2.8 | 5.2 | 123 | 155 | 68.5 | – | – | – | – | – |
| hlt84s002 | 10/10 | 0.36 | 3.1 | 6.1 | 162 | 231 | 40.58 | – | – | – | – | – |
| hlt84s002 | 13/13 | 0.71 | 5.3 | 8.2 | 198 | 215 | 108 | – | – | – | – | – |
| hlt84s002 | 16/16 | 1.38 | 6.8 | 9.9 | 219 | 262 | 126 | – | – | – | – | – |
| hlt84s002 | 20/20 | 2.21 | 12.5 | 23.0 | 231 | 185 | 87.5 | – | – | – | – | – |













Отзывы
Пока нет отзывов.