Grampo Angkat Vertikal Model VLC-A
Kode Produk: 1601
Este grampo de elevação vertical foi projetado para a elevação, o transporte e o giro vertical eficientes de placas de aço e estruturas. Ele oferece uma força de fixação segura, permitindo que as placas de metal sejam levantadas na posição vertical, o que torna as operações mais fáceis e confiáveis.
Visão Geral do Produto
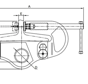
O grampo de elevação vertical modelo VLC-A foi projetado para executar todas as tarefas de elevação, transporte e rotação vertical de placas de aço e estruturas. Ele prende as placas de aço com segurança usando mandíbulas dentadas duráveis, o que garante elevações seguras e eficazes. Esses grampos são adequados para placas de aço na direção vertical, o que simplifica e torna mais eficiente o manuseio, seja para elevação, transporte ou rotação.
Principais Características:
- Versatilidade: Adequado para elevação, transporte e rotação de placas de aço e estruturas.
- Segurança em Primeiro Lugar: Equipado com um mecanismo de travamento de segurança para evitar escorregões durante a elevação e o abaixamento.
- Design Leve: Fácil de manusear, reduzindo o cansaço do operador.
- Construção Robusta: Possui uma carcaça soldada de alta resistência para durabilidade excepcional.
- Fácil Manutenção: Perawatannya sederhana, dengan suku cadang yang dapat diganti saat aus jika diperlukan.
- Compatibilidade de Materiais: Adequado para elevação de placas de aço com dureza superficial inferior a 30 HRC.
Limites de Carga:
- Carga Mínima de Trabalho (CMT): 10% da carga nominal máxima.
Especificações Técnicas
| Número do Produto | Capacidade (t) | Carga de Teste (kN) | Abertura da Mandíbula (mm) | T (mm) | U (mm) | V (mm) | L (mm) | Peso Líquido (kg) | Kode Produk |
|---|---|---|---|---|---|---|---|---|---|
| VLCA008 | 0.8 | 15.68 | 0-16 | 123 | 265 | 40 | 44 | 2.8 | 160100800 |
| VLCA010 | 1 | 19.6 | 0-22 | 124 | 295 | 50 | 54 | 3.6 | 160101000 |
| VLCA020 | 2 | 39.2 | 0-30 | 154 | 385 | 54 | 56 | 5.5 | 160102000 |
| VLCA030 | 3 | 58.8 | 0-40 | 180 | 400 | 60 | 72 | 10 | 160103000 |
| VLCA050 | 5 | 98 | 0-50 | 222 | 483 | 68 | 76 | 17 | 160105000 |
| VLCA080 | 8 | 156.8 | 0-60 | 265 | 535 | 65 | 90 | 26 | 160108000 |
| VLCA100 | 10 | 196 | 0-90 | 290 | 600 | 80 | 95 | 32 | 160110000 |
| VLCA120 | 12 | 235.2 | 25-90 | 408 | 700 | 80 | 113 | 48 | 160112000 |
| VLCA160 | 16 | 313.6 | 60-125 | 465 | 780 | 100 | 121 | 80 | 160116000 |
| VLCA200 | 20 | 392 | 0-90 | 563 | 933 | 100 | 140 | 149 | 160120000 |
| VLCA300 | 30 | 588 | 10-90 | 568 | 918 | 100 | 142 | 155 | 160130000 |
Produtos Relacionados
- Talha de Corrente CH-B
- Talha de Alavanca LH-A
- Trole Manual PT-FA
- Moitões de Carga Pesada
Uso Seguro de Grampos de Elevação
Certifique-se de usar o grampo de elevação vertical corretamente e com segurança, seguindo as orientações do fabricante. Sempre verifique os limites de peso e inspecione o grampo para verificar se há danos antes de usá-lo. Eleve apenas materiais que atendam às especificações e nunca exceda a capacidade de carga. A manutenção adequada e as inspeções regulares são essenciais para garantir a confiabilidade e o desempenho a longo prazo.
Guia de Segurança para Grampos de Elevação
Obrigatório:
- Armazene e manuseie os grampos de elevação corretamente para garantir segurança e longevidade.
- Inspecione os grampos de elevação e acessórios antes do uso e antes do armazenamento.
- Sempre que possível, fixe-os firmemente à chapa de aço.
- Certifique-se de que o grampo esteja alinhado diretamente com o centro de gravidade da chapa.
- Sebelum mengangkat, pastikan penjepit sudah terkunci atau dikencangkan sepenuhnya pada pelat baja.
- Sebelum melepaskan penjepit, pastikan pelat baja didukung dengan baik.
Dilarang:
- Jangan gunakan penjepit pengangkat pada pelat baja yang keras atau dipoles, kecuali jika dirancang khusus untuk itu.
- Jangan masukkan pengganjal antara pelat baja dan rahang penjepit.
- Jangan mencoba mengangkat beberapa pelat baja dengan satu penjepit.
- Não alterne entre elevação vertical e horizontal, a menos que o grampo seja projetado para isso.
- Não use grampos de elevação vertical em um ângulo.
- Não force o gancho do guindaste no olhal do grampo.
Escolhendo o Grampo de Elevação Certo
Os grampos de elevação vertical vêm em uma variedade de capacidades e designs. Esses grampos podem usar mecanismos como alavancas, cames, rolos ou parafusos para fornecer uma fixação segura em chapas de aço. Para selecionar o grampo de elevação correto e planejar o levantamento, considere o seguinte:
- Tipo de grampo (alavanca, came, rolo ou parafuso)
- Peso e espessura da chapa de aço
- Se é necessário o uso de uma linga de corrente
Nota 1: Beberapa desain penjepit, terutama yang memiliki rahang cam bergerak yang bergantung pada pegas untuk memberikan kekuatan penjepitan awal, memiliki beban minimum dan ketebalan pelat baja untuk pengangkatan yang aman. Selalu konsultasikan petunjuk pabrik (jika tersedia). Jika tidak ada panduan khusus, beban tidak boleh kurang dari 20% dari Beban Kerja Aman (SWL) dan ketebalan pelat baja harus setidaknya 20% dari ketebalan maksimum.
Nota 2: Alguns grampos de elevação são adequados para levantar chapas de aço da posição horizontal para a vertical. Nesses casos, o uso de uma linga de corrente é essencial para fornecer uma conexão articulada entre o grampo e o gancho de elevação.
Penyimpanan dan Penanganan Klem Angkat
Jangan pernah memasang kembali klem pengangkat yang rusak atau kotor ke dalam penyimpanan. Pastikan klem dalam keadaan kering, bersih, dan terlindungi dari korosi.
Evite deixar cair ou arremessar os grampos de elevação para prevenir danos.
Usando Grampos de Elevação
Certifique-se de manusear e utilizar os grampos de elevação de forma adequada para maximizar a segurança e a eficácia. Siga sempre os procedimentos de segurança para garantir o melhor desempenho.

Uso Seguro de Grampos de Elevação
- Nunca use grampos de elevação ou acessórios defeituosos.
- A menos que explicitamente permitido nas instruções do fabricante, não use grampos para elevar cargas menores que 20% da Carga de Trabalho Segura (SWL) ou com espessura inferior a 20% da espessura máxima.
- Sempre posicione os grampos corretamente. Certifique-se de que o grampo esteja posicionado diretamente acima do centro de carga da placa. Para placas longas propensas à flexão, utilize dois grampos posicionados uniformemente ao redor do centro de gravidade e, se necessário, uma barra de suspensão. Certifique-se de que nenhum grampo individual exceda sua Carga de Trabalho Segura.
- Sempre que possível, fixe firmemente os grampos na posição apropriada da placa.
- Em nenhuma circunstância, coloque qualquer tipo de calço entre a placa e as mandíbulas. Além disso, nunca tente levantar várias placas com um único grampo.
- Evite utilizar os grampos em um ângulo em relação à borda da placa ou para transições de elevação vertical para horizontal, a menos que o grampo tenha sido projetado especificamente para esse tipo de uso.
- Mantenha óleo, graxa e contaminantes similares afastados das mandíbulas, principalmente se estas possuírem material de fricção.
Inspeksi dan Pemeliharaan Selama Penggunaan
- Limpe os grampos de elevação vertical regularmente e lubrifique suas partes móveis em intervalos adequados, a menos que o fornecedor especifique o contrário.
- Para grampos com mandíbulas lisas revestidas com material de fricção, certifique-se de que o lubrificante não entre em contato com o material de fricção.
- Inspecione os grampos de elevação regularmente e, se algum dos seguintes defeitos for encontrado, faça com que um técnico qualificado inspecione o grampo minuciosamente:
- Desgaste, danos ou deformação das mandíbulas fixas e móveis
- Abertura ou rachaduras na estrutura
- Pinos e parafusos soltos, desgastados ou dobrados
- Material gesekan aus
- Tuas pengunci yang rusak atau cacat
- Rosca de aperto travada, torta ou danificada
- Corrosão
- Marcações ilegíveis
Pemberitahuan: Não re-afie ou re-corte os dentes das mandíbulas, a menos que explicitamente autorizado pelo fabricante.
A hqlifting fornece estas diretrizes para garantir o uso seguro e eficaz de seus grampos de elevação.


















Reviews
There are no reviews yet.